Этот веб-сайт использует файлы cookie для предоставления услуг на самом высоком уровне. Подтверждая, вы соглашаетесь на их использование.

Принимаю Политика

Аксессуары

Водопроводная насадка со змеевиком для печей KOZA/AB/ENYO/R/W, ROLLO/W,ERIK/W Kratki

TURBODYM/W/W/V2

Он предназначен для восстановления части тепловой энергии, содержащейся в дымовых газах, поступающих из камеры сгорания печи.

  • Цена: 26 936 грн.

Уровень запасов:

В наличии

Время доставки:

2-5 дней

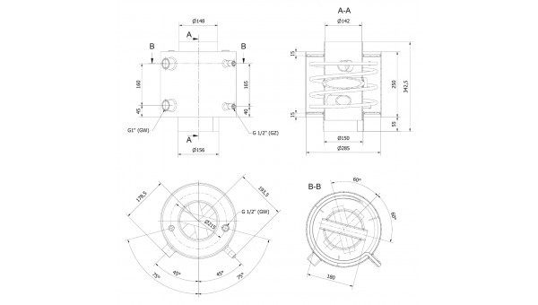
Технические характеристики Водопроводная насадка со змеевиком для печей KOZA/AB/ENYO/R/W, ROLLO/W,ERIK/W Kratki

UPC 5903751202141
Вес (кг) 15.01
Ширина (см) 41.15
Высота (см) 34.25
Глубина (см) 41.46
Средняя мощность водяного контура (кВт) 1,5
Максимальное рабочее давление (Бар) 2
Емкость воды (л) 10
Диаметр выпускного отверстия (мм) 150

Описание продукта

Водяная насадка - это современное устройство, предназначенное для восстановления тепла от выхлопных газов, обычно выходящих из дома через дымоход.

Это инновационное решение позволяет использовать утраченное тепло для нагрева воды, что повышает энергоэффективность вашего дома без необходимости дополнительного потребления топлива.

Рекуперированное тепло можно использовать для нагрева радиаторов или бытовой воды, что делает его идеальной альтернативой для людей, которые ищут способы снизить свои счета за электроэнергию.

Водяная насадка изготовлена из стали толщиной 4 мм, предназначена для использования в системах центрального отопления.

Благодаря этому материалу устройство характеризуется высокой прочностью, надежностью и устойчивостью к высоким температурам.

Возможность работы в закрытой системе с максимальным давлением до 2 бар, а также в открытой системе дополнительно повышает ее универсальность и адаптивность к различным потребностям установки.

подходит для моделей KOZA/AB/ENYO/R/W, ROLLO/W,ERIK/W

Технический чертеж

0

(0 отзывов)

Напишите свой отзыв:

Задайте вопрос о товаре:

Почему стоит покупать именно у нас?

Наши специалисты помогут подобрать продукт, соответствующий вашим потребностям.

Бесплатная доставка

От 7000 грн.

Опытные консультанты

Есть вопросы - мы поможем!

Гарантия до 10 лет

Официальный представитель!

Выгодные покупки

Гарантия лучшей цены!

Подписка

Получайте лучшие предложения, информацию об актуальных акциях и скидках - прямо на ваш Email

Подпишитесь на рассылку новостей введя свой Email: